Saltar al contenido

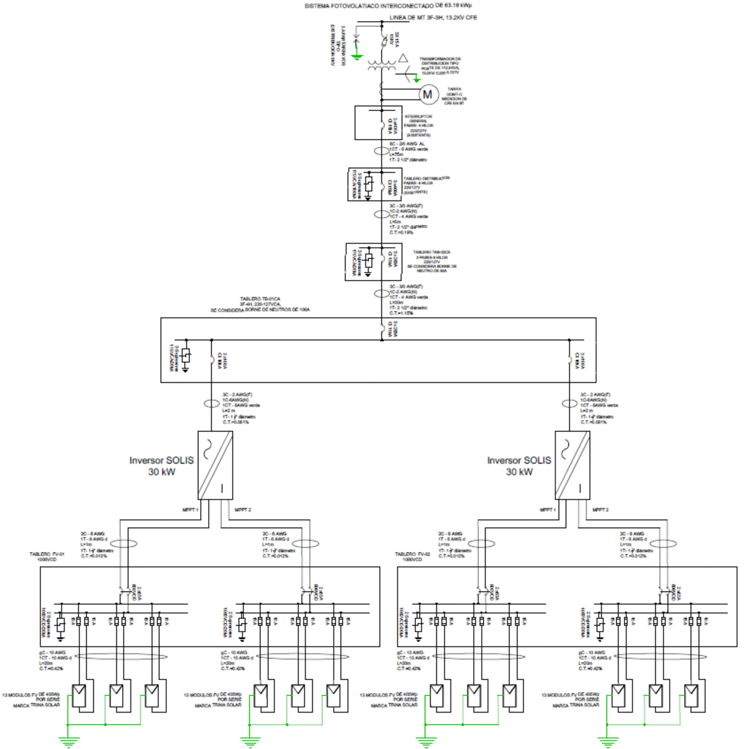
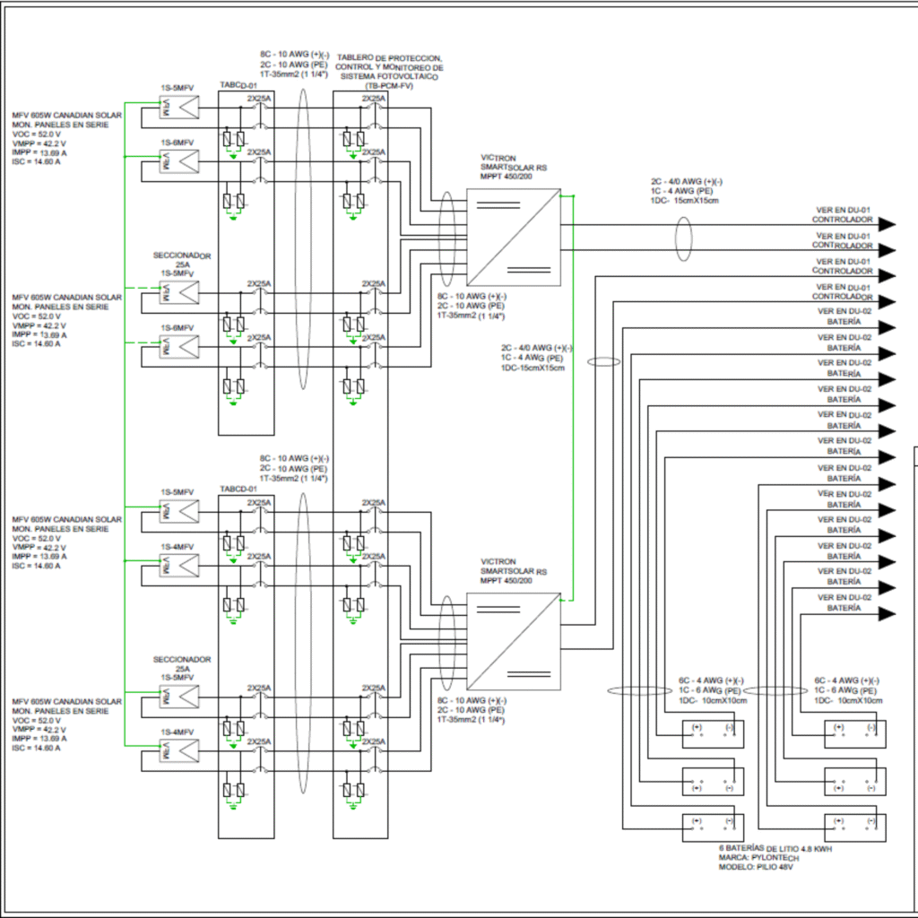
Diseñamos e instalamos sistemas fotovoltaicos de Generación Distribuida, optimizando el uso de energía solar para reducir costos y dependencia de la red. Contamos con un equipo certificado en los Estándares de Competencia EC586 (Instalador) y EC1181 (Supervisor), garantizando soluciones sostenibles, rentables y de alta calidad.

Descubre la solución ideal para tus necesidades de ingeniería.

Desarrollo de ingeniería Selecciona el servicio que mejor se adapte a tus necesidades:

Descubre la solución ideal para tus necesidades de instalaciones.

Descubre la solución ideal para tus necesidades de revisión y gestoría.

Nuestro proceso de contratación

El proceso de contratación con Hai Energy es sencillo, ágil y rápido. Desde el primer contacto hasta la ejecución del proyecto, te ofrecemos una experiencia sin complicaciones

Selecciona el servicio de tu interés:
¿Cómo prefieres que te contactemos?